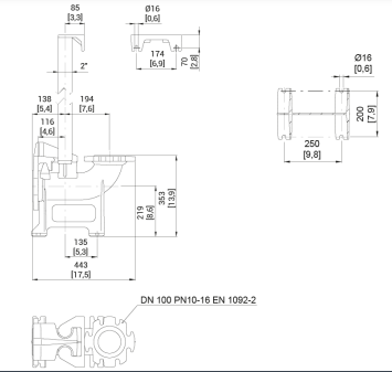
Khớp nối nhanh DAC 100/100V+KAF 116-2″EN là phụ kiện kết nối máy bơm với ống nước, khớp nối nhanh DAC 100/100V+KAF 116-2″EN được chế tạo bằng vật liệu cao cấp gang GJL-250. Được nhập khẩu trực tiếp bởi Công ty Cổ phần KCB Việt Nam.
Máy bơm tsurumi Avant là sản phẩm máy bơm chìm nước thải làm việc trong môi trường độc hại . Nó phục vụ cho việc bơm nước để xử lý nước thải đưa nước sạch trở về sông hồ, trả lại môi trường sống.
Máy bơm chìm tsurumi Avant có nhiều dạng và được lắp đặt khác nhau, có các đặc điểm khác nhau nên sẽ thi công khác nhau. Nó có các cách lắp đặt và kèm theo các phụ kiện máy bơm chìm tsurumi Avant khác nhau.
| PHỤ KIỆN : KHỚP NỐI NHANH TSURUMI AVANT PUMP – ITALY (COUPLING FOR SERIES MYB) Nhập khẩu nguyên chiếc Italy- CO, CQ Italy Cấu tạo :Vật liệu bằng gang GJL-250 cao cấp, chống ăn mòn cao | ||
| DAC 32-50/G50V-G65V 3/4″ EN | Dùng cho series bơm tsurumi Avant MYB họng xả DN50 | TSURUMI AVANT – ITALY |
| DAC 65/65V+KAF 116-2 EN | Dùng cho series bơm tsurumi Avant MYB họng xả DN65 | TSURUMI AVANT – ITALY |
| DAC 80/80V+KAF 116-2 EN | Dùng cho series bơm tsurumi Avant MYB họng xả DN80 | TSURUMI AVANT – ITALY |
| DAC 100/100V+KAF 116-2 EN | Dùng cho series bơm tsurumi Avant MYB họng xả DN100 | TSURUMI AVANT – ITALY |
| DAC 150/200V+KAF 116-2″ EN | Dùng cho series bơm tsurumi Avant MYB họng xả DN150 | TSURUMI AVANT – ITALY |
| DAC 200/250V+KAF 116-2″ EN | Dùng cho series bơm tsurumi Avant MYB họng xả DN200 | TSURUMI AVANT – ITALY |
| DAC 250/300V+KAF 116-2″ EN | Dùng cho series bơm tsurumi Avant MYB họng xả DN250 | TSURUMI AVANT – ITALY |
• Sơn epoxy-vinyl;
• Hoàn thiện với phụ kiện để kết nối với ống polyetylen (Ø có đủ kích thước theo họng xả bơm tsurumi Avant);
• Vật rắn cho phép đi qua đáp ứng theo từng họng xả của bơm
• Lắp đồng bộ cùng với thanh dẫn hướng (thanh ray) và mặt bích trượt bằng thép không gỉ;
• Cho phép giữ ống xả của máy bơm ở độ cao tối ưu.

Bản vẽ khớp nối nhanh DAC 100/100V+KAF 116-2 EN
Với thiế kế sử dụng khớp nối nhanh hoặc bên kết nối ưu việt, Máy bơm nước thải Tsurumi Avant đã có nhiều phương pháp lắp đặt và sử dụng chất lượng cao đáp ứng nhiều địa hình và công trình cũng như địa bàn sản xuất của từng đơn vị . Tsurumi Avant luôn lỗ lực phát triển cùng công trình của bạn:
Liên hệ báo giá:
CÔNG TY CỔ PHẦN KCB VIỆT NAM
HOTLINE: 084.761.8888
ĐỊA CHỈ: Tầng 12, Tòa nhà Licogi 13, Số 164, đường Khuất Duy Tiến, phường Nhân Chính, quận Thanh Xuân, thành phố Hà Nội.